[Integral Systems] Abrasive Bowl Outlet Assembly ISI-B23 25-150um Integral Systems Dust Collectors

[Integral Systems] Abrasive Bowl Outlet Assembly ISI-B23 25-150um Integral Systems Dust Collectors

$50.70 USD
Skip to product information
[Integral Systems] Abrasive Bowl Outlet Assembly ISI-B23 25-150um Integral Systems Dust Collectors

[Integral Systems] Abrasive Bowl Outlet Assembly ISI-B23 25-150um Integral Systems Dust Collectors

$50.70 USD

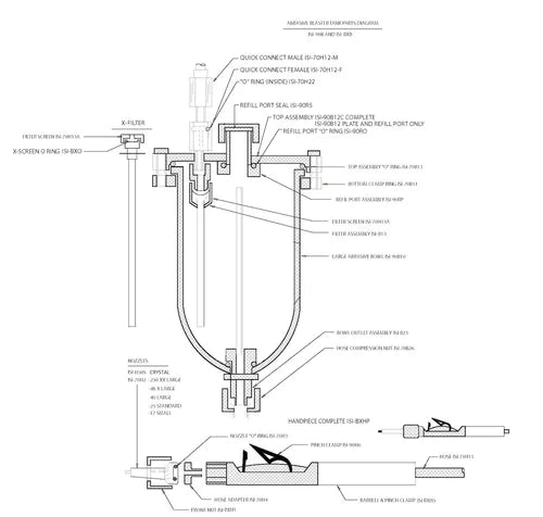
Abrasive Blaster Parts

ISI-B23 Bowl Outlet Assembly (25-150um)

Dentmart #503-508

You may also like